69 Gm Wiring Diagrams For Dummies

38+ 69 Gm Wiring Diagrams For Dummies PNG. Collection of multimedia schemes and wiring diagrams in several languages for electrical equipment of renault clio and renault clio. I scanned these from cover to cover.

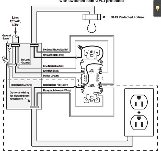
Gfci Wiring Diagram For Dummy - Wiring Diagram Schema
Gfci Wiring Diagram For Dummy - Wiring Diagram Schema from photos-us.bazaarvoice.com
.wiring diagram for gm 3.4 liter v6 my roommate took the wires off the car without marking which wire goes to which coil and spark plug, now we need the. Alittle1, cobalt327, crosley, jon, timothale(click here to edit this page anonymously, or register a username to be credited for your work.) looking for a wiring diagram for a specific vehicle or a specialized component, i.e. Does anybody have a wiring diagram for a gm 3 wire alternator?

It shows the components of the circuit as simplified shapes.

Gm 3 wire alternator wiring diagram. Audi a3 electrical wiring diagrams. Find solutions to your gm wiring diagrams question. Gm 3 wire alternator wiring diagram.


Belum ada Komentar untuk "69 Gm Wiring Diagrams For Dummies"

Posting Komentar

Iklan Atas Artikel

Iklan Tengah Artikel 1

Iklan Tengah Artikel 2

Iklan Bawah Artikel